Extraktionsmittel

Von Extraktoren der Einstiegsklasse bis hin zu Systemen im Forschungs- und Pilotmaßstab kombinieren wir modernste, patentierte und firmeneigene Technologien mit hochgradig anpassbaren Designs, um Ihnen ein Produktsortiment zu bieten, das Ihren Anforderungen und Ihrem Budget entspricht.

Unsere Extraktionsgeräte sind so konzipiert, dass sie hochpräzise, wiederholbare Ergebnisse liefern, und gleichzeitig sind sie auf Sicherheit, Langlebigkeit und Anpassungsfähigkeit für den Einsatz in der Forschung sowie für eine Vielzahl von Spezialanwendungen ausgerichtet.

  • Gewinnung von Naturprodukten: ätherische Öle, Duftstoffe und Nutrazeutika
  • Industrielle Anwendungen, einschließlich Trocknung, Textilfärbung, Teilereinigung
  • Polymer-Anwendungen
  • Prozessentwicklung und Scale-up
  • Lehrlabore
  • Analytische Forschung

SFT-120

Das SFT-110 ist ein System für die Forschung, das nach anspruchsvollen Spezifikationen entwickelt wurde und hochpräzise, wiederholbare Ergebnisse liefert. Es wird in der Industrie und für Naturprodukte verwendet und ist ein hervorragendes Werkzeug für Lehrlabors, kann aber auch für ernsthaftere Forschung eingesetzt werden.

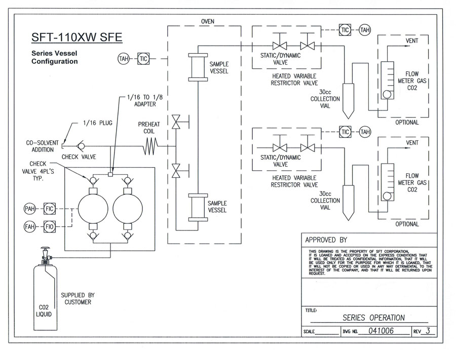
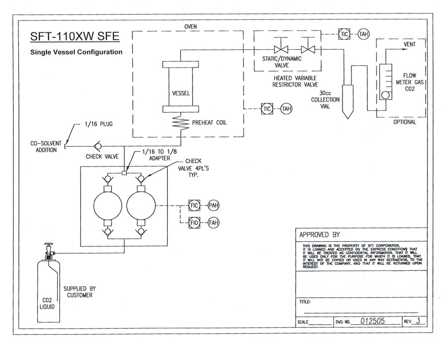
SFT-120XW

Mit einem, zwei oder vier Behältern für die Serien- oder Parallelverarbeitung bietet SFT-110XW mehr Vielseitigkeit bei der Untersuchung der Durchführbarkeit der Anwendung überkritischer Fluidextraktionsverfahren für Analyse- und Verarbeitungsprobleme.

SFT-130A

Der überkritische Fluidextraktor der Serie SFT-130A vereint die einfache Bedienung eines Tischgerätsystems mit einer Reihe von Eigenschaften, die sonst nur in größeren, kostspieligeren Pilot-Systemen vorhanden sind. Die Einheit ist vollständig automatisch und eignet sich für verschiedene Anwendungen, von einfachen Forschungsuntersuchungen bis hin zur Prozessentwicklung. Der vollautomatische überkritische CO2-Extraktor der Serie SFT-130A wurde entwickelt, um die Anwendung überkritischer Fluidextraktion für eine Reihe verschiedener Herausforderungen analytischer Prozesse sowie der Materialverarbeitung zu untersuchen.

SFT-150

Mit einem Fassungsvermögen von 2 Litern bietet die Serie SFT-150 eine größere Verarbeitungskapazität als die SFT-110-Modelle und das System ist ideal für wiederholte Laborextraktionen sowie Prozessentwicklung und -optimierung. Der modulare Aufbau macht es einfach, die Konfiguration des Geräts zu ändern und es aufzurüsten, um neue oder sich weiterentwickelnde Anwendungsanforderungen zu erfüllen.

SFT-250

Mit vielen Leistungsmerkmalen vollautomatischer Pilotanlagen ist das System SFT-250 in der Lage, umfassende Laborforschung ebenso wie kleine Pilotprozesse zu bewältigen. Mit einem Fassungsvermögen von bis zu 5 Litern und einer flexiblen Konfiguration lässt sich das SFT-250 leicht an sich ändernde Anwendungsanforderungen anpassen.

Phase Monitor II

Der SFT-Phase Monitor II ermöglicht die direkte, Sichtbeobachtung von Experimenten, die in flüssigem oder überkritischem Kohlendioxid oder anderen verflüssigten Gasen durchgeführt werden. So können Forscher die Auflösung, Ausfällung und Kristallisation von Verbindungen in einem breiten Druck- und Temperaturbereich beobachten und Löslichkeitsparameter sowie die Auswirkungen von Co-Lösungsmitteln bestimmen.

SFT Nex10

SFT Nex10 Flüssigkohlendioxidpumpe, Konstantdruck-CO2-Pumpe Druckanzeige und -regelung, Druckbereich bis zu 68,9 MPa (10.000 psi), wählbarer Drucksollwert Durchflussraten bis 100 ml/min Flüssig-CO2 eigenständige thermoelektrische Kühlung, Edelstahl-Fluidpfad.

SFT-10

Die robuste, hochpräzise Konstruktion der SFT-10, unserer beliebtesten Pumpe, fördert flüssiges CO2 mit einem Druck von bis zu 68,9 MPa (10.000 psi).

SFT-25

SFT-25 Drücke bis zu 68,9 MPa (10.000 psi) Durchflussrate bis zu 125 ml/min (druckabhängig) Edelstahl-Fluidpfad, Flüssig-CO2-Peltier-Kühler, Druckmessumformer, konstanter Druck- oder konstanter Durchflussmodus, wählbarer Solldruck oder Solldurchflussrate optional …

SFT-SP-BAUREIHE

Der SFT-SP-BAUREIHE wurde entwickelt, um qualitativ hochwertige Extrakte aus Pflanzen, Kräutern, Gewürzen, ätherischen Ölen und anderen Naturprodukten zu gewinnen. Das System nutzt die umweltfreundliche Technik der überkritischen CO2-Extraktion. Es verfügt über eine flexible Verarbeitungsplattform und kann für die Verwendung von einem, zwei oder drei 1000-ml-Verarbeitungsgefäßen konfiguriert werden.

© 2026 Supercritical Fluid Technologies German